大家经常埋怨希捷、西数的硬盘容量提升速度太慢,新的存储技术宣传了很多年就是不能量产,但其实很大程度上,他们也不能完全说了算,因为硬盘容量取决于单碟容量和存储密度,而这些核心技术掌握在极少数企业手中,就像Intel等半导体巨头的光刻机其实都来自荷兰阿斯麦(ASML)。
作为全球最大的硬盘碟片独立制造商,日本昭和电工(Showa Denko K.K./SDK)宣布,已经完成开发下一代HAMR(热辅助磁记录)存储碟片,采用了全新的磁性薄膜,晶粒尺寸也大大缩小,从而进一步提升存储密度,最终可以让3.5寸机械硬盘做到70TB乃至是80TB。
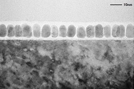
据悉,昭和电工的HAMR硬盘碟片由铝、薄膜组成,后者基于铁-铂(Fe-Pt)合金,并使用了全新结构的磁层,加入新的介质温控层,最终将介质的磁矫顽力(cmagnetic oercivity)提升了几个数量级,从而大大提升存储密度和容量。

昭和电工新碟片的微观俯视图

昭和电工新碟片的微观侧视图
随着机械硬盘存储密度的提升,用来存储数据的晶粒(crystal grain)已经变得极其微小,很容易磁化,但是单独磁场特性的强度也大大降低,从而导致有害的磁轨间干扰,磁头很难准确读写数据。
正因为如此,才有了HAMR、MAMR(微波辅助磁记录)、ePMR(能量辅助垂直记录)等各种能量辅助磁记录技术的加入,来提升碟片的词矫顽力,但是能量辅助写入需要足够高的功率,却又会带来极高的温度,这也就是为何提了这么多年迟迟无法商用的根本原因。
昭和电工称,新的HAMR碟片拥有业内最高的读写特性和可靠性,但拒绝披露具体的存储密度,也没有说何时量产。
如今常规磁记录(CMR)的最高存储密度约为每平方英寸1.14Tb,一般认为不引入能量辅助记录很难再大幅提升,而昭和电工相信,HAMR碟片的密度可以达到每平方英寸5-6Tb,从而在不继续增加碟片数量的情况下,将3.5寸硬盘容量做到70-80TB。
根据规划,希捷将在2020年底率先商用HAMR碟片,单盘容量20TB,但可能用的是自家碟片而非来自昭和电工。
西数今年的18TB、20TB硬盘会使用ePMR技术,最终也会转向HAMR、MAMR。
东芝今年底的18TB硬盘会使用昭和电工2TB MAMR碟片,未来也会改用HAMR。