据外媒报道,一个国际科学家团队近日展示了一种恢复视网膜退行性疾病患者视力的潜在方法。据了解,这些科学家通过一剂纳米颗粒制造出一个能运转的人造视网膜,从而让失明的啮齿动物恢复视力。 由于跟年龄相关的退行性视力丧失非常常见,所以很多人都会认为这只是年龄增长不可避免的结果。
然而,许多创新的研究项目已经找到了预防方法或至少能减缓这一看似不可避免的过程的方法。
由于许多跟年龄相关的视力丧失都跟视网膜退化有关,于是许多研究人员都把方向投向了人工视网膜开发上,他们通过使用电极和传感器来复制视网膜功能。然而,这些修复方案并不理想,因为这种视网膜需要用到配线、摄像头以及实施侵入性手术。
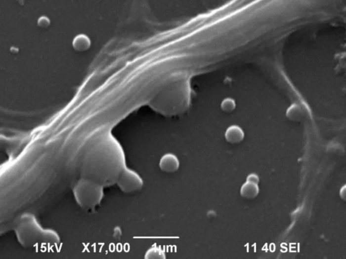
然而另一种更理想的视网膜功能修复方法则是使用特制的纳米颗粒作为视网膜神经元的光敏导管。在这项新研究中,研究人员证明了共轭聚合物纳米颗粒(P3HT-NP)是如何在视网膜下空间广泛传播并恢复失去的视力的。
为了测试这些纳米颗粒的有效性和安全性,研究人员观察了患有色素性视网膜炎的啮齿类动物模型。据悉,色素性视网膜炎是一种会导致逐渐失明的遗传疾病。只在视网膜下注射一次实验用的纳米颗粒之后,研究人员就看到了视觉皮层的活动并且视力恢复到跟拥有正常视力的动物相似水平。
该项目研究员Mattia Bramini指出,纳米颗粒分散在视网膜上的方式表明,该技术可以恢复广阔的视野。这种空间分辨率应该比目前任何可用的植入物都要高得多。此外,跟其他人工视网膜技术相比,这种简单且相对非侵入性的手术方式还能更容易地得到广泛应用。
目前尚不清楚这项技术距离人体试验还有多远,但从这些动物实验中可以看出前景光明。在目前这个阶段,这些纳米颗粒被证明在至少8个月的时间内能帮助啮齿动物安全有效地恢复视力。
Bramini表示:“这种关于视网膜假体植入和广泛视网膜覆盖的最简单外科手术有可能能恢复整个视野、为P3HT聚合物纳米颗粒在退行性失明病例中的临床应用开辟一条全新的道路。”
